9e19938f-8f73-4f37-95d4-5070719ba249

RG01-F4-NRS DIN3352 F4/EN1171 PN10/PN16 Non-Rising Stem Resilient Seat Gate Valve

Features:
Bolted Bonnet 
Replaceable O-ring
Rubber encapsulated wedge
Brass Wedge Nut
Surface Treatment: RAL 5017 FBE coated inside and outside with thickness no less than 250microns  
Working pressure 16 Bar 
working temperature from -10 to +80 ºC

share:
Product Details

Technical Specification:
Valve design and manufacture:EN 1171、DIN3352、EN 1074-1 and 2
Face to face: EN 558-1 Series 14 、 DIN3202 F4 Standard 
Flange Connection: EN 1092-2、ISO 7005-2
Hydraulic test according to EN 12266、ISO5208
Seat test Pressure: 17.6 bar

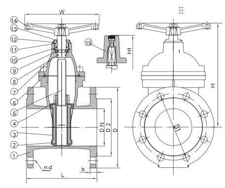
Item No.Part NameSpecification
1BodyDuctile Iron GGG50
2WedgeDuctile Iron GGG50
3Wedge CoatingNBR /EPDM EN 681-1
4Wedge NutCopper Alloy
5StemStainless Steel X20 Cr13
6Bonnet GasketNBR /EPDM EN 681-1
7BonnetDuctile Iron GGG50
8O Ring Back SealingEPDM/NBR
9Stem CollarStainless Steel / Brass
10O-RingEPDM/NBR
11O-RingEPDM/NBR
12Stuffing NutCopper Alloy
13Dust GuardEPDM/NBR
14HandWheelDuctile Iron GGG50
15Stem CapDuctile Iron GGG50

 

SizeLDbEN 1092-2 PN10EN 1092-2 PN16HH1WW.T(kg )
D1D2n-dD1D2n-d
DN4014015019110844*19110844*191802251609
DN5015016519125994*19125994*1919524016011
DN65170185191451184*191451184*1922526518014
DN80180200191601328*191601328*1925529520017
DN100190220191801568*191801568*1928532520021
DN125200250192101848*192101848*1934538022029
DN150210285192402118*232402118*2338542025038
DN200230340202952668*2329526612*2346550028058
DN2502504002235031912*2335531912*2856559032090
DN30027045524.540037012*2341037012*28645670350120

  


Send Message
Related Products
RG01-F4-NRS DIN3352 F4/EN1171 PN10/PN16 Non-Rising Stem Resilient Seat Gate Valve
RG01-F4-NRS DIN3352 F4/EN1171 PN10/PN16 Non-Rising Stem Resilient Seat Gate Valve

Features:
Bolted Bonnet 
Replaceable O-ring
Rubber encapsulated wedge
Brass Wedge Nut
Surface Treatment: RAL 5017 FBE coated inside and outside with thickness no less than 250microns  
Working pressure 16 Bar 
working temperature from -10 to +80 ºC

RG02-F5-NRS DIN3352 F5/EN1171 PN10/PN16 Non-Rising Stem Resilient Seat Gate Valve
RG02-F5-NRS DIN3352 F5/EN1171 PN10/PN16 Non-Rising Stem Resilient Seat Gate Valve

Features:
Bolted Bonnet 
Replaceable O-ring
Rubber encapsulated wedge
Brass Wedge Nut

Surface Treatment: RAL 5017 FBE coated inside and outside with thickness no less than 250microns 
Working pressure 16 Bar 
working temperature from -10 to +80 ºC

RG03-F4/F5-NRS DIN3352 F4/F5 DN350-DN1600 Non-Rising Stem Resilient Seat Gate Valve
RG03-F4/F5-NRS DIN3352 F4/F5 DN350-DN1600 Non-Rising Stem Resilient Seat Gate Valve

Features:
Bolted Bonnet 
Replaceable O-ring
Rubber encapsulated wedge
Brass Wedge Nut

Surface Treatment: RAL 5017 FBE coated inside and outside with thickness no less than 250microns  
Working pressure 16 Bar 
working temperature from -10 to +80 ºC

RG04-F4-NRS Gland Type DIN3352 / EN 1171 Resilient Seated Gate Valve Gland Type
RG04-F4-NRS Gland Type DIN3352 / EN 1171 Resilient Seated Gate Valve Gland Type

Technical Specification:

Size: DN50-DN600

Pressure: EN 1171

Valve design according to EN 1171、DIN3352、EN 1074-1 and 2

Face to face dimensions according to EN 558-1 Series 14/15、DIN3202 F4/F5

Standard flange drilling to EN 1092-2、ISO 7005-2

Hydraulic test according to EN 12266、ISO5208

RG05-F4-NRS DIN3352 / EN 1171 Resilient Seated Gate Valve
RG05-F4-NRS DIN3352 / EN 1171 Resilient Seated Gate Valve

Technical Specification:

Size: DN50-DN300

Pressure: EN 1171

Valve design according to EN 1171、DIN3352、EN 1074-1 and 2

Face to face dimensions according to EN 558-1 Series 14/15、 DIN3202 F4/F5

Standard flange drilling to EN 1092-2、ISO 7005-2

Hydraulic test according to EN 12266、ISO5208

RG06-BS5163&BS664/665 Non-Rising Stem Resilient Seat Gate Valve
RG06-BS5163&BS664/665 Non-Rising Stem Resilient Seat Gate Valve

Features:
Bolted Bonnet 
Replaceable O-ring
Rubber encapsulated wedge
Brass Wedge Nut
Surface Treatment: RAL 5017 FBE coated inside and outside with thickness no less than 250microns  
Working pressure 16 Bar 
working temperature from -10 to +80 ºC

RG07-RS-BS5163 BS5163/EN1171 PN10/16 Rising Stem Resilient Seat Gate Valve
RG07-RS-BS5163 BS5163/EN1171 PN10/16 Rising Stem Resilient Seat Gate Valve

Features:
Outside stem and yoke (OS&Y) Stem Seal with O-ring
Bolt bonnet, Full bore
Rubber encapsulated wedge, Brass Wedge Nut.
Fusion bonded epoxy coated inside and outside , blue RAL 5017 250 Micron thick 
Working pressure :16Bar
working temperature from -10 to +80 ºC

RG08-NRS-AWWA C515/509 250PSI NON-Rising Stem Resilient Seat Gate Valve
RG08-NRS-AWWA C515/509 250PSI NON-Rising Stem Resilient Seat Gate Valve

Features:
Bolted Bonnet Replaceable O-ring
Rubber encapsulated wedge, Brass Wedge Nut.
Fusion bonded epoxy coated inside and outside , blue RAL 5017 200 Micron thick Working pressure 250 PSI/17.2 Bar Non-Shock Cold

RG09-RS-AWWA C515/509 AWWA C509/C515 250PSI Rising Stem Resilient Seat Gate Valve
RG09-RS-AWWA C515/509 AWWA C509/C515 250PSI Rising Stem Resilient Seat Gate Valve

Features:
Outside stem and yoke (OS&Y) Stem Seal with O-ring
Bolt bonnet, Full bore
Rubber encapsulated wedge, Brass Wedge Nut.
Fusion bonded epoxy coated inside and outside , blue RAL 5017 200 Micron thick Working pressure 250 PSI/17.2 Bar Non-Shock Cold

RG10-PVC Socket Ends Non-rising Resilient Seat Gate Valve
RG10-PVC Socket Ends Non-rising Resilient Seat Gate Valve

Features:
Stem Seal with O-ring
Bolt bonnet, Full bore
Rubber encapsulated wedge, Brass Wedge Nut.
Fusion bonded epoxy coated inside and outside , blue RAL 5017 200 Micron thick Working pressure 250 PSI/17.2 Bar Non-Shock Cold

RG11-PE pipe Socket Ends PE Socket Ends Non-rising Resilient Seat Gate Valve
RG11-PE pipe Socket Ends PE Socket Ends Non-rising Resilient Seat Gate Valve

Technical Specification:

Size: DN50-DN300

Pressure:PE Socket

Valve design according to DIN 3352 / SABS 664

Face to face dimensions according to DIN 3202 F5/ SABS 664

Socket Ends dimensions comply ISO 4422 、 ISO 4422.2

Hydraulic test according to ISO5208

RG12-Socket End for DI pipe Socket Ends Non-rising Resilient Seat Gate Valve for DI Pipe
RG12-Socket End for DI pipe Socket Ends Non-rising Resilient Seat Gate Valve for DI Pipe

Technical Specification:

Size: DN50-DN300

Pressure:Socket

Valve design according to DIN 3352 / SABS 664

Face to face dimensions according to DIN 3202 F5/ SABS 664

Socket Ends dimensions comply ISO 4422 、 ISO 4422.2

Hydraulic test according to ISO5208


RG 13-Thread End DIN3352 Thread End Resilient Seat Gate Valve
RG 13-Thread End DIN3352 Thread End Resilient Seat Gate Valve

Technical Specification:

Size: DN15-DN50

Pressure:Thread

Design:DIN3352

Thread End Connection: NPT,BSPT

Hydraulic test: EN12266;ISO 5208

Seat Test:17.6bar

Shell Test:24bar

RG 14-Thread End Angle type DIN3352 Thread End Resilient Seat Gate Valve
RG 14-Thread End Angle type DIN3352 Thread End Resilient Seat Gate Valve

Technical Specification:

Size: DN1”-DN2”

Pressure:Thread

Design:DIN3352

Thread End Connection: NPT,BSPT

Hydraulic test: EN12266;ISO 5208

Seat Test:17.6bar

Shell Test:24bar