9e19938f-8f73-4f37-95d4-5070719ba249

DIN3352 F4/F5 DN350-DN1600 Non-Rising Stem Resilient Seat Gate Valve

Features:
Bolted Bonnet 
Replaceable O-ring
Rubber encapsulated wedge
Brass Wedge Nut

Surface Treatment: RAL 5017 FBE coated inside and outside with thickness no less than 250microns  
Working pressure 16 Bar 
working temperature from -10 to +80 ºC

share:
Product Details

Technical Specification:
Valve design and manufacture:EN 1171、DIN3352、EN 1074-1 and 2
Face to face: EN 558-1 Series 14/15 、 DIN3202 F4/F5 Standard 
Flange Connection: EN 1092-2、ISO 7005-2
Hydraulic test according to EN 12266、ISO5208
Shell test pressure: 24 bar
Seat test Pressure: 17.6 bar
 

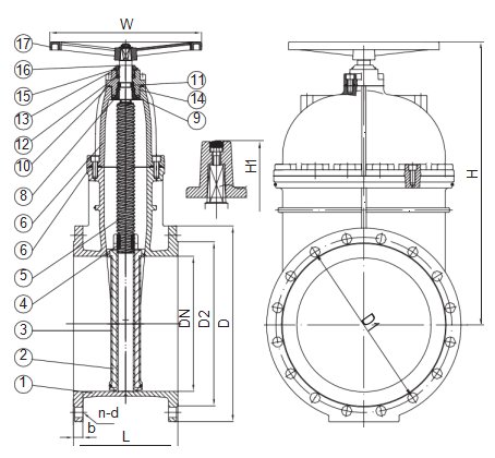
Item1  No.Part NameSpecification
1BodyDuctile Iron GGG50
2WedgeDuctile Iron GGG50
3Wedge CoatingNBR /EPDM EN 681-1
4Wedge NutCopper Alloy
5StemStainless Steel X20 Cr13
6Bonnet GasketNBR /EPDM EN 681-1
7BonnetDuctile Iron GGG50
8O Ring Back SealingEPDM/NBR
9Down BushingCopper Alloy
10O RingEPDM/NBR
11Stem CollarStainless Steel / Brass
12O-RingEPDM/NBR
13O-RingEPDM/NBR
14Gland FlangeDuctile Iron GGG50
15Stuffing CorkCopper Alloy
16Dust GuardEPDM/NBR
17HandWheelDuctile Iron GGG50
18Stem CapDuctile Iron GGG50

SizeLDbEN 1092-2 PN10EN 1092-2 PN16HWW.T(kg )
F4F5D1D2n-dD1D2n-dF4F5
DN35029055052026.546042916-2347042916-28762450175220
DN4003106005802851548016-2852548016-31836450223290
DN4503306506403056553020-2858554820-31957640322420
DN50035070071531.562058220-2865060920-341036640365470
DN6003908008403672568220-3177072020-371188640539700
DN70043090091039.584079424-3184079424-371450800700910
DN800470100010254395090124-3495090124-41166010009501235
DN100055012001255501160111228-371170111228-442100100014001820
DN120063014001455501380132832-401390132832-502540120032503700


Send Message
Related Products
 Non-rising Resilient Seat Socket end  Gate Valve for DI Pipe
Non-rising Resilient Seat Socket end Gate Valve for DI Pipe

Features:
Stem Seal with O-ring
Bolt bonnet, Full bore
Rubber encapsulated wedge, Brass Wedge Nut.
Fusion bonded epoxy coated inside and outside , blue RAL 5017 200 Micron thick Working pressure 250 PSI/17.2 Bar Non-Shock Cold

 Non-rising Resilient Seat Socket end  Gate Valve for PE Pipe
Non-rising Resilient Seat Socket end Gate Valve for PE Pipe

Features:
Outside stem and yoke (OS&Y) Stem Seal with O-ring
Bolt bonnet, Full bore
Rubber encapsulated wedge, Brass Wedge Nut.
Fusion bonded epoxy coated inside and outside , blue RAL 5017 200 Micron thick Working pressure 250 PSI/17.2 Bar Non-Shock Cold

PVC Socket Ends Non-rising Resilient Seat Gate Valve
PVC Socket Ends Non-rising Resilient Seat Gate Valve

Features:
Stem Seal with O-ring
Bolt bonnet, Full bore
Rubber encapsulated wedge, Brass Wedge Nut.
Fusion bonded epoxy coated inside and outside , blue RAL 5017 200 Micron thick Working pressure 250 PSI/17.2 Bar Non-Shock Cold

AWWA C509/C515 250PSI Rising Stem Resilient Seat Gate Valve
AWWA C509/C515 250PSI Rising Stem Resilient Seat Gate Valve

Features:
Outside stem and yoke (OS&Y) Stem Seal with O-ring
Bolt bonnet, Full bore
Rubber encapsulated wedge, Brass Wedge Nut.
Fusion bonded epoxy coated inside and outside , blue RAL 5017 200 Micron thick Working pressure 250 PSI/17.2 Bar Non-Shock Cold

AWWA C509/C515 250PSI NON-Rising Stem Resilient Seat Gate Valve
AWWA C509/C515 250PSI NON-Rising Stem Resilient Seat Gate Valve

Features:
Bolted Bonnet Replaceable O-ring
Rubber encapsulated wedge, Brass Wedge Nut.
Fusion bonded epoxy coated inside and outside , blue RAL 5017 200 Micron thick Working pressure 250 PSI/17.2 Bar Non-Shock Cold

BS5163/EN1171 PN10/16 Rising Stem Resilient Seat Gate Valve
BS5163/EN1171 PN10/16 Rising Stem Resilient Seat Gate Valve

Features:
Outside stem and yoke (OS&Y) Stem Seal with O-ring
Bolt bonnet, Full bore
Rubber encapsulated wedge, Brass Wedge Nut.
Fusion bonded epoxy coated inside and outside , blue RAL 5017 250 Micron thick 
Working pressure :16Bar
working temperature from -10 to +80 ºC

BS5163&BS664/665 Non-Rising Stem Resilient Seat Gate Valve
BS5163&BS664/665 Non-Rising Stem Resilient Seat Gate Valve

Features:
Bolted Bonnet 
Replaceable O-ring
Rubber encapsulated wedge
Brass Wedge Nut
Surface Treatment: RAL 5017 FBE coated inside and outside with thickness no less than 250microns  
Working pressure 16 Bar 
working temperature from -10 to +80 ºC

DIN3352 F4/F5 DN350-DN1600 Non-Rising Stem Resilient Seat Gate Valve
DIN3352 F4/F5 DN350-DN1600 Non-Rising Stem Resilient Seat Gate Valve

Features:
Bolted Bonnet 
Replaceable O-ring
Rubber encapsulated wedge
Brass Wedge Nut

Surface Treatment: RAL 5017 FBE coated inside and outside with thickness no less than 250microns  
Working pressure 16 Bar 
working temperature from -10 to +80 ºC

DIN3352 F5/EN1171 PN10/PN16 Non-Rising Stem Resilient Seat Gate Valve
DIN3352 F5/EN1171 PN10/PN16 Non-Rising Stem Resilient Seat Gate Valve

Features:
Bolted Bonnet 
Replaceable O-ring
Rubber encapsulated wedge
Brass Wedge Nut

Surface Treatment: RAL 5017 FBE coated inside and outside with thickness no less than 250microns 
Working pressure 16 Bar 
working temperature from -10 to +80 ºC

DIN3352 F4/EN1171 PN10/PN16 Non-Rising Stem Resilient Seat Gate Valve
DIN3352 F4/EN1171 PN10/PN16 Non-Rising Stem Resilient Seat Gate Valve

Features:
Bolted Bonnet 
Replaceable O-ring
Rubber encapsulated wedge
Brass Wedge Nut
Surface Treatment: RAL 5017 FBE coated inside and outside with thickness no less than 250microns  
Working pressure 16 Bar 
working temperature from -10 to +80 ºC

RG04-F4-NRS Gland Type DIN3352 / EN 1171 Resilient Seated Gate Valve Gland Type
RG04-F4-NRS Gland Type DIN3352 / EN 1171 Resilient Seated Gate Valve Gland Type

Technical Specification:

Size: DN50-DN600

Pressure: EN 1171

Valve design according to EN 1171、DIN3352、EN 1074-1 and 2

Face to face dimensions according to EN 558-1 Series 14/15、DIN3202 F4/F5

Standard flange drilling to EN 1092-2、ISO 7005-2

Hydraulic test according to EN 12266、ISO5208

RG05-F4-NRS DIN3352 / EN 1171 Resilient Seated Gate Valve
RG05-F4-NRS DIN3352 / EN 1171 Resilient Seated Gate Valve

Technical Specification:

Size: DN50-DN300

Pressure: EN 1171

Valve design according to EN 1171、DIN3352、EN 1074-1 and 2

Face to face dimensions according to EN 558-1 Series 14/15、 DIN3202 F4/F5

Standard flange drilling to EN 1092-2、ISO 7005-2

Hydraulic test according to EN 12266、ISO5208

RG11-PE pipe Socket Ends PE Socket Ends Non-rising Resilient Seat Gate Valve
RG11-PE pipe Socket Ends PE Socket Ends Non-rising Resilient Seat Gate Valve

Technical Specification:

Size: DN50-DN300

Pressure:PE Socket

Valve design according to DIN 3352 / SABS 664

Face to face dimensions according to DIN 3202 F5/ SABS 664

Socket Ends dimensions comply ISO 4422 、 ISO 4422.2

Hydraulic test according to ISO5208

RG12-Socket End for DI pipe Socket Ends Non-rising Resilient Seat Gate Valve for DI Pipe
RG12-Socket End for DI pipe Socket Ends Non-rising Resilient Seat Gate Valve for DI Pipe

Technical Specification:

Size: DN50-DN300

Pressure:Socket

Valve design according to DIN 3352 / SABS 664

Face to face dimensions according to DIN 3202 F5/ SABS 664

Socket Ends dimensions comply ISO 4422 、 ISO 4422.2

Hydraulic test according to ISO5208


RG 13-Thread End DIN3352 Thread End Resilient Seat Gate Valve
RG 13-Thread End DIN3352 Thread End Resilient Seat Gate Valve

Technical Specification:

Size: DN15-DN50

Pressure:Thread

Design:DIN3352

Thread End Connection: NPT,BSPT

Hydraulic test: EN12266;ISO 5208

Seat Test:17.6bar

Shell Test:24bar

RG 14-Thread End Angle type DIN3352 Thread End Resilient Seat Gate Valve
RG 14-Thread End Angle type DIN3352 Thread End Resilient Seat Gate Valve

Technical Specification:

Size: DN1”-DN2”

Pressure:Thread

Design:DIN3352

Thread End Connection: NPT,BSPT

Hydraulic test: EN12266;ISO 5208

Seat Test:17.6bar

Shell Test:24bar